netsure 701 user manual

582137100 - Access Inc. 18 Pictures about 582137100 - Access Inc : NetSure 701 - Prasa Infocom & Power Solutions Pvt. Ltd., NetSure 701 - Prasa Infocom & Power Solutions Pvt. Ltd. and also NetSure 7100 Series | ITS.

582137100 - Access Inc

582137100 - Access Inc access-inc.com

netsure volt

User Manual Esp Net Shure 501 A50 And Netsure 701 A51

User manual esp net shure 501 a50 and netsure 701 a51 www.slideshare.net

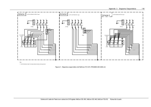
netsure shure a51 a50 esp

NetSure 701 - Prasa Infocom & Power Solutions Pvt. Ltd.

NetSure 701 - Prasa Infocom & Power Solutions Pvt. Ltd. prasa-pl.com

netsure prasa

ROBERTSHAW 9615 USER MANUAL Pdf Download | ManualsLib

ROBERTSHAW 9615 USER MANUAL Pdf Download | ManualsLib www.manualslib.com

robertshaw manual manualslib user pdf

NetSure 7100 Series | ITS

NetSure 7100 Series | ITS www.itssolution.com

netsure 400vdc

User Manual Esp Net Shure 501 A50 And Netsure 701 A51

User manual esp net shure 501 a50 and netsure 701 a51 www.slideshare.net

netsure a50 a51 shure esp

HP 4110 User Manual | 2 Pages

HP 4110 User Manual | 2 pages www.manualsdir.com

hp manuals manual user

User Manual Esp Net Shure 501 A50 And Netsure 701 A51

User manual esp net shure 501 a50 and netsure 701 a51 es.slideshare.net

a51 netsure a50 shure

Введение в системы постоянного тока :: Новости от журнала "Сети и

Введение в системы постоянного тока :: Новости от журнала "Сети и asp24.com.ua

User Manual Esp Net Shure 501 A50 And Netsure 701 A51

User manual esp net shure 501 a50 and netsure 701 a51 es.slideshare.net

a50 a51 shure netsure esp

Platform Power System, NetSure 701 Series Introduction

Platform Power System, NetSure 701 Series Introduction studylib.net

power netsure platform system series introduction

G-Shock GA-100 User Manual | 4 Pages | Also For: 5081

G-Shock GA-100 User Manual | 4 pages | Also for: 5081 www.manualsdir.com

shock ga 5081 manual user manuals

NetSure 7100 Series

NetSure 7100 Series studylib.net

netsure

NetSure 801DB Installation Manual | Manualzz

NetSure 801DB Installation Manual | Manualzz manualzz.com

netsure installation manual manualzz

NetSure 701 - Prasa Infocom & Power Solutions Pvt. Ltd.

NetSure 701 - Prasa Infocom & Power Solutions Pvt. Ltd. prasa-pl.com

netsure prasa

582127000 - VERTIV - NetSure(TM) 701 DC | Anixter

582127000 - VERTIV - NetSure(TM) 701 DC | Anixter www.anixter.com

netsure tm dc power system vertiv

User Manual Esp Net Shure 501 A50 And Netsure 701 A51

User manual esp net shure 501 a50 and netsure 701 a51 es.slideshare.net

netsure a51 shure a50

NetSure 7100 Series | Vertiv DC Power Systems

NetSure 7100 Series | Vertiv DC Power Systems www.vertiv.com

netsure vertiv rectifiers

Platform power system, netsure 701 series introduction. Netsure shure a51 a50 esp. Power netsure platform system series introduction